Design
We offer comprehensive mechanical design services to architects, developers, builders, and homeowners, either as an independent project or as design and installation.
Services
Plumbing Installations
Heating Installations
Bathroom Design & Installations
Air Conditioning Installations
Get a Quote For Your Project
M Hale's Design Service
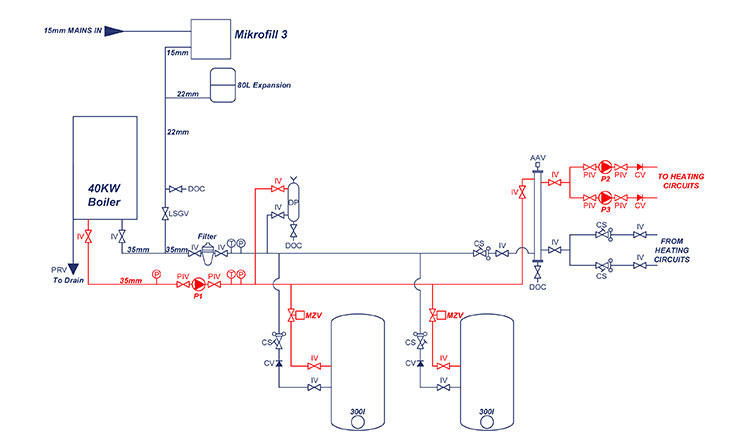
Our experienced team develops detailed tender packages that include specifications, equipment schedules, plans, and heat loss calculations. By standardising the tender process, these packages allow the selected contractor to refine and advance the project, always keeping the client’s core requirements in focus.
We place a strong emphasis on seamless integration by working closely with architects from the earliest stages of the design process. Our team carefully reviews and aligns our mechanical solutions with the overall vision for the project, ensuring every detail fits within the broader architectural plan. By offering comprehensive support in both AutoCAD and Revit, we embed mechanical layouts into the final design, creating a unified and efficient design that enhances the success of each build.
Accreditations